概要
1つの押しボタンスイッチで、アナログ量のON/OFFと、アナログ量の調節を行います。
アイデアの骨子として、長押しで最初は常にフェイルセーフ方向に調節するということです。
懐中電灯であれば、人が眩しくて迷惑なのを最初に考えるということで、現在の明るさよりも明るくしたいのであれば、待っていれば希望の明るさになり、人に迷惑をかけるよりも緊急度が低いので許容できるというわけです。
ここでは、懐中電灯の例で説明します。
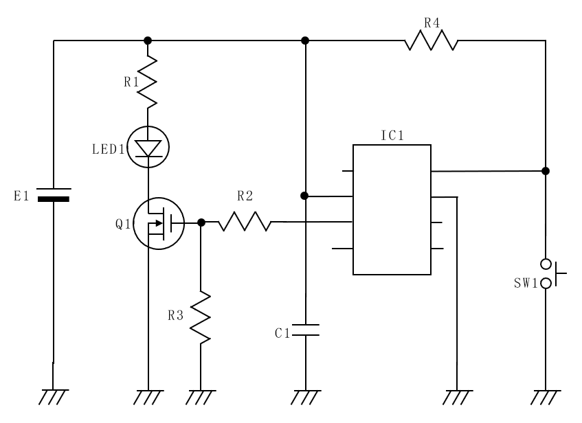
諸元

既製品の懐中電灯に、独自回路を組み込んでいます。

マイクロコンピュータ(PIC)で、PWMによる光量調節,ワンボタン操作の制御を行います。
操作
短押しで点灯/消灯のトグル動作を行い、長押しで明るさを調整します。
長押しで、最初は常にフェイルセーフ方向(暗くなる)に調節し、最小の明るさになったら明るくなる方向に反転します。
ただし、消灯時の長押しは、最小の明るさから点灯し、明るさを調整します。
まとめると、つぎの4つの動作モードになります。
- 消灯時の短押し

消灯時①短押し②すると、前回消灯した時の明るさ③で点灯④します。 - 消灯時の長押し

押下すると、最初に最小の明るさ①で点灯し、だんだん明るく②なります。
最大の明るさになったら、その明るさ③を保持します。
操作者が良いと感じた明るさのタイミングでボタンを離す④と、その時の明るさ⑤を保持します。 - 点灯時の短押し

点灯時①短押し②すると、現在の明るさ③を記録して消灯します。 - 点灯時の長押し

押下①すると、現在の明るさ②より、だんだん暗く③なります。
最小の明るさ④になったら、だんだん明るく⑤なります。
最大の明るさになったら、その明るさ⑥を保持します。
操作者が良いと感じた明るさのタイミングでボタンを離す⑦と、その時の明るさ⑧を保持します。
ショートカット
前章で説明している機能で、直感的な明るさの調節が可能ですが、さらに便利なショートカットを用意しました。
『トン・ツー』操作
トン・ツー』操作は、短押ししてすかさず長押しする操作です。
短押し①して長押し②すると、現在の明るさ③が明るい方向④にだんだん変化して、最大の明るさ⑤に達すると最大の明るさ⑤を保持します。
長押し②の時に、操作者が良いと感じたタイミングでボタンを離すと、変更した明るさ⑥を保持します。
『トン・ツー』操作は、すぐに明るくしたいためのショートカットとなります。
『ツー・ツー』操作
『ツー・ツー』操作は、長押ししてすかさず長押しする操作です。
長押し①して現在の明るさ③を暗い方向④にだんだん変化しているのを、いったん離して長押し②すると、明るい方向⑤にだんだん変化して、最大の明るさ⑥に達すると最大の明るさ⑥を保持します。
長押し②の時に、操作者が良いと感じたタイミングでボタンを離すと、変更した明るさ⑦を保持します。
『ツー・ツー』操作は、暗く調節していたのを、反転して、すぐに明るくしたいためのショートカットとなります。
応用
このアイデアは、電子機器の操作全般に応用できます。
さらに、OSなどのソフトウェア製品の操作プログラムとしても使えます。
お問い合わせ
![]()
温泉プレーヤー
音楽アンコン・ランチャー